Yixing Xuyang Environmental Technology Co., Ltd.

Xuyang Environmental

  • 
  • Home
  • Products +
  • About Us
  • Applications +
    • Petroleum
    • Metallurgy
    • Coal
    • Blackwater Treatment
    • Landfill Leachate Treatment
    • Municipal Wastewater Treatment
    • Mobile/Emergency Water Purification
    • Marine Aquaculture
    • Others
  • Resource +
    • Advantages of Cloth Media Disc Filter
    • Process Flow of Magnetic Separation Equipment
    • Process Flow of Magnetic Coagulation System
    • Belt Filter Press for Sludge Dewatering
    • Xuyang's Sludge Conditioning Solution
  • Contact Us
Self-Cleaning Brush Screen Filter

Automatic Self-Cleaning Brush Screen Filter, S Series

  • Home
  • Products
  • Self-Cleaning Screen Filter
  • Self-Cleaning Brush Screen Filter

When the self-cleaning brush screen filter recognizes too much dirt building up on the surface of the filter screen as well as a pressure difference between the inlet and outlet water reaching a preset value, it will automatically start its self-cleaning program. This entails the motor driving a rotating brush to remove the dirt buildup from the filter screen and switch on the electric valve for discharging the dirt. This effectively cleans the filter back into its optimal filtering state.

Self-Cleaning Brush Screen Filter, ST

Self-Cleaning Brush Screen Filter, ST

Self-Cleaning Brush Screen Filter, STS

Self-Cleaning Brush Screen Filter, STS

Self-Cleaning Brush Screen Filter, SY

Self-Cleaning Brush Screen Filter, SY

Self-Cleaning Brush Screen Filter, SM

Self-Cleaning Brush Screen Filter, SM

  • The time allocated for cleaning can be adjusted to fit your needs, ranging from 20 to 120 seconds.
  • No need to turn down the water during self-cleaning.
  • The pressure loss caused by blowdown less than 0.5 bar.
  • The flow deviation limited to less than 1%.
Applications
  • Cooling water treatment:

    A process that utilizes filtration to reduce sediment accumulation in heat exchangers, thus boosting the cooling power of cooling towers, air conditioning systems and DC systems. In addition, the water filtration keeps the make-up water system in top condition.
  • Water source treatment:

    A procedure to obtain clean surface water from rivers, lakes, seas, reservoirs and wells. This technique can remove unwanted particles including sand, bacteria, algae, and organic material.
  • Industrial circulating water filtration:

    Employed on equipment that requires specific water quality standards, such as coolers and rolling mills, as well as continuous casting machines, polishing equipment, pumps, electromagnetic valves and ion exchangers, sprayers and radiators. This form of filtration helps eradicate contaminants from the water, preventing blockages that could otherwise occur in pipes, hoses, and other components.
  • Irrigation:

    Highly suitable for water sources with high flow and impurities, and can be used for various purposes, such as agricultural irrigation, park sprinkling, golf courses, and sports fields.
  • The paper industry:

    efficient white water filtration in its operations.
  • The plastic industry:

    the filtration and circulation of cooling water to optimize injection processes.
  • Membrane, resin and ultrafiltration pretreatment.
  • Seawater desalination systems and mariculture filtration systems with pretreatment filtration.
Our Products
  • Self-Cleaning Screen Filter
      Self-Cleaning Brush Screen Filter Self-Cleaning Suction Scanning Screen Filter Hydraulic Self-Cleaning Screen Filter
  • Self-Cleaning Disc Filter
  • AGF Sand Media Filter
  • Cloth Media Filter
      Cloth Media Disc Filter, GLD Cloth Media Disc Filter, GLK
  • Magnetic Water Treatment System
      Magnetic Coagulation and Sedimentation System Magnetic Disk Separation and Purification System
  • Sludge Dewatering Equipment
      Rotary Fan Press Belt Filter Press
  • Automatic Water Softener
  • ST
  • STS
  • SY
  • SM
  • SSY
  • STN (for Sea Water)
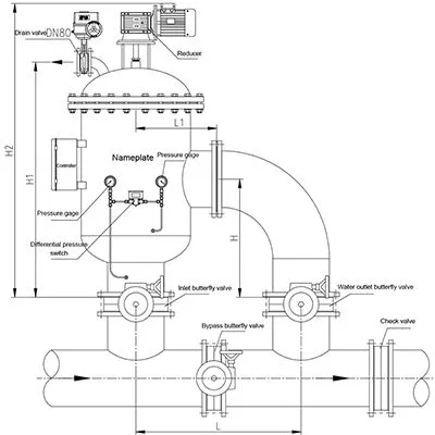
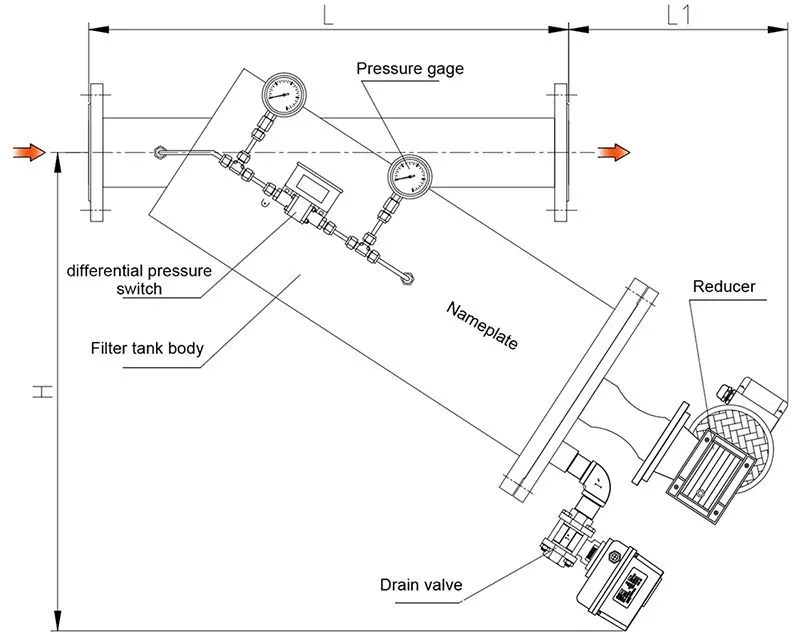
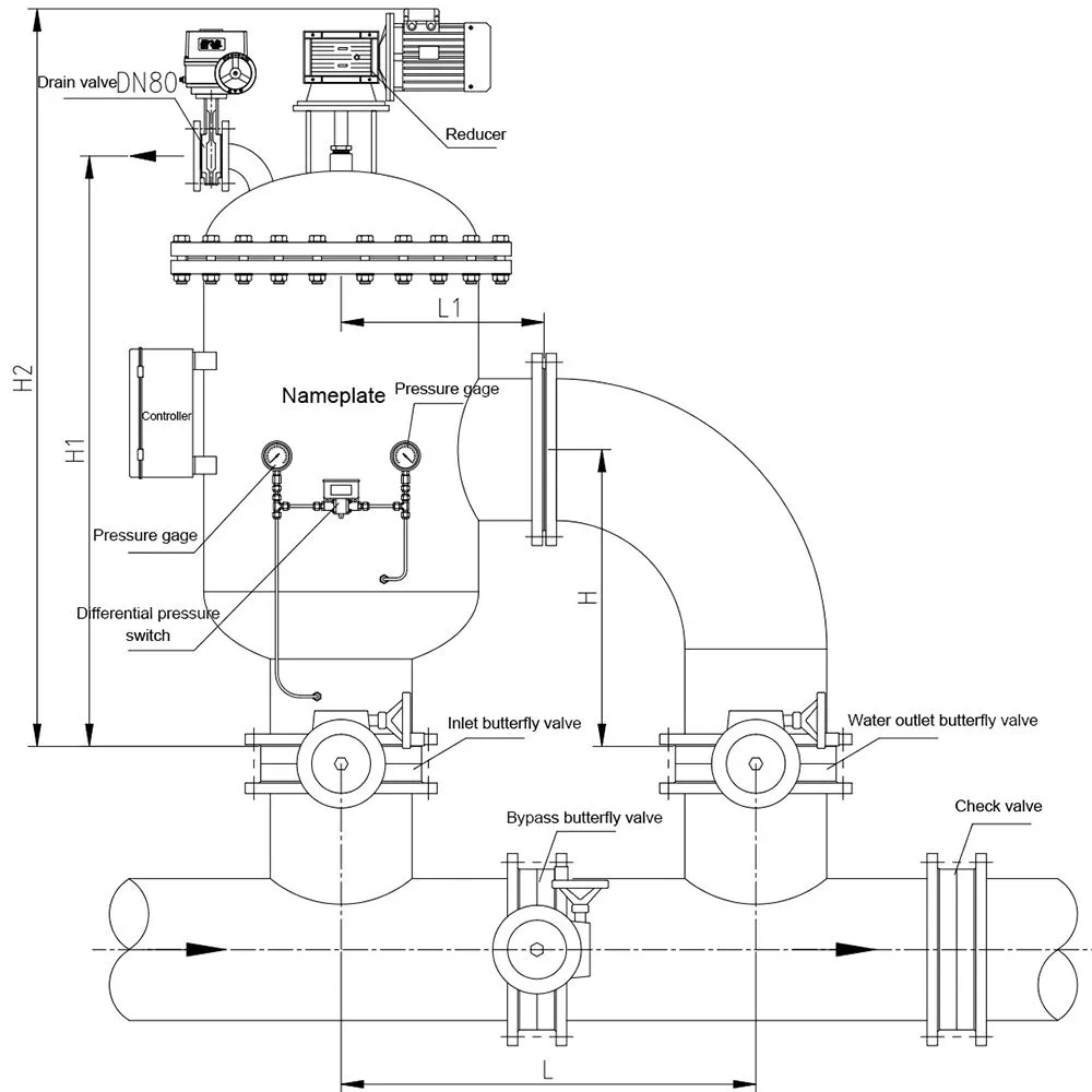
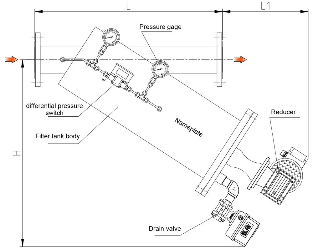
Self-Cleaning Brush Screen Filter, ST
Self-Cleaning Brush Screen Filter, ST Self-Cleaning Brush Screen Filter, ST Self-Cleaning Brush Screen Filter, ST
Self-Cleaning Brush Screen Filter, ST
  • Installation: vertical installation
  • Flow rate (single filter): 15-1800 m³/h (larger flow can be obtained by connecting multiple units in parallel)
  • Nominal pressure: 1.0 MPa, 1.6 MPa
  • Operating pressure: 0.20-1.0 MPa
  • Maximum operating temperature: 60 ℃
  • Filtration degree: 200-3500 micron
  • Control mode: differential pressure/timing/manual
  • Cleaning time: 35-120 s
  • Cleaning mechanism speed: 14-20 rpm
  • Cleaning method: electric brush cleaning
  • Cleaning pressure loss: 0.01-0.08 MPa
  • Operating voltage: AC 380V, 50Hz, three-phase four-wire
  • Control voltage: AC 220V, 50Hz
  • LCD display interface, user-friendly design, easy operation
Request a Quote
Technical Specifications
Model Inlet/outlet connection (mm) Max. flow rate (m³/h) Filtration area (cm²) Drain valve DN (mm) D (mm) Water consumption per cycle (L) Motor power (kW) Weight (kg)
ST-100 DN100/10 80 3800 DN50/10 325 130 0.55 230
ST-125 DN125/10 100 4500 DN50/10 325 130 0.55 250
ST-150 DN150/10 150 4500 DN50/10 325 130 0.55 260
ST-200 DN200/10 300 5100 DN50/10 325 130 0.55 280
ST-250 DN250/10 400 9100 DN50/10 400 180 0.75 420
ST-300 DN300/10 500 10000 DN50/10 530 180 0.75 510
ST-350 DN350/10 800 14400 DN50/10 620 200 0.75 650
ST-400 DN400/10 1000 17000 DN80/10 720 250 0.75 760
ST-500 DN500/10 1800 30000 DN80/10 920 250 0.75 950

The flow accuracy in the table is 400 μm . If in need of PN25 pressure rating, we can customize upon request. For other technical parameters, please consult Xuyang for details.

Installation Dimensions
Model ST-100 ST-125 ST-150 ST-200 ST-250 ST-300 ST-350 ST-400 ST-500
H 500 540 550 630 630 750 750 750 900
H1 990 1070 1090 1200 1200 1360 1390 1480 1525
H2 1120 1280 1300 1420 1450 1650 1750 1810 2120
L 650 700 650 700 850 950 1050 1300 1650
L1 283 283 283 283 345 415 475 515 650
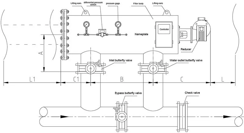
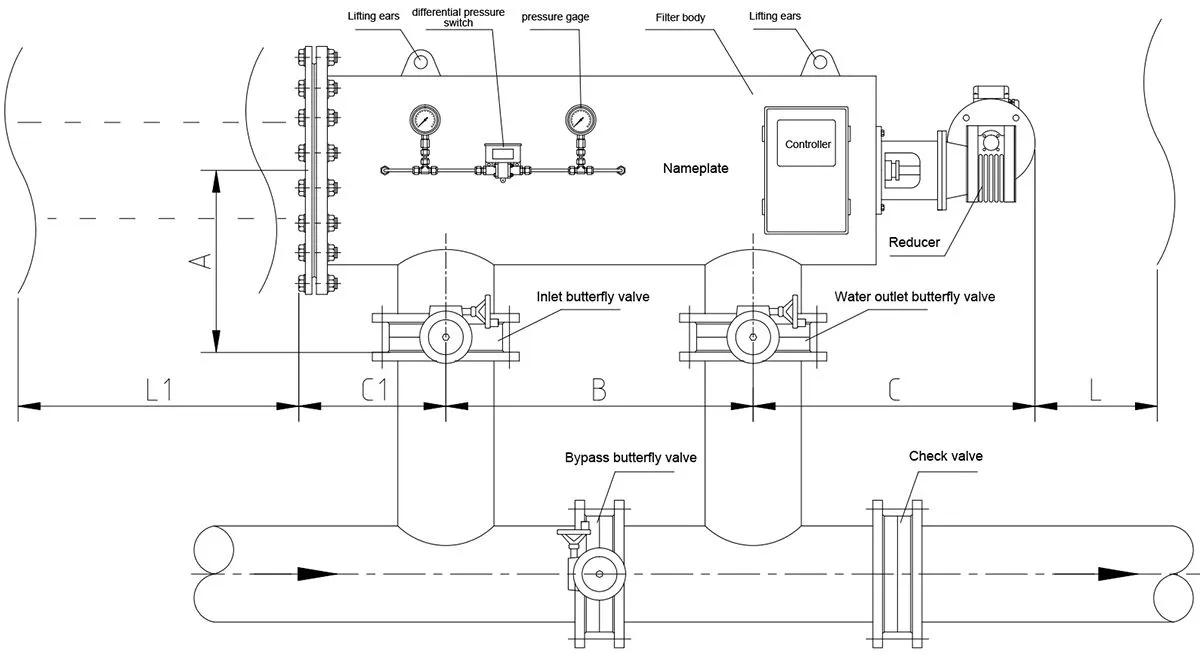
Self-Cleaning Brush Screen Filter, ST
Self-Cleaning Brush Screen Filter, STS
Self-Cleaning Brush Screen Filter, STS
  • Installation: vertical installation
  • Flow rate (single filter): 15-1800m³/h (larger flow can be obtained by connecting multiple units in parallel)
  • Nominal pressure: 1.0 MPa, 1.6 MPa
  • Operating pressure: 0.20-1.0 MPa
  • Maximum operating temperature: 60 ℃
  • Filtration degree: 200-3500 micron
  • Control mode: differential pressure/timing/manual
  • Cleaning time: 35-120s
  • Cleaning mechanism speed: 14-25 rpm
  • Cleaning method: electric brush cleaning
  • Cleaning pressure loss: 0.01-0.08 MPa
  • Operating voltage: AC 380V, 50Hz, three-phase four-wire
  • Control voltage: AC 220V, 50Hz
  • LCD display interface, user-friendly design, easy operation
Request a Quote
Technical Specifications
Model Inlet/outlet connection (mm) Max. flow rate (m³/h) Filtration area (cm²) Drain valve DN (mm) D mm Water consumption per cycle (L) Motor power (kW) Weight (kg)
STS-50 DN50/10 25 2800 DN25/10 325 130 0.55 170
STS-80 DN80/10 40 3400 DN25/10 325 130 0.55 180
STS-100 DN100/10 80 4100 DN40/10 325 150 0.55 210

The flow accuracy in the table is 400 μm. For other technical parameters, please consult Xuyang for details.

Self-Cleaning Brush Screen Filter, STS
Self-Cleaning Brush Screen Filter, SY
Self-Cleaning Brush Screen Filter, SY
  • Installation: online installation
  • Flow rate (single filter): 15-400 m³/h (larger flow can be obtained by connecting multiple units in parallel)
  • Nominal pressure: 1.0 MPa, 1.6 MPa
  • Operating pressure: 0.20-1.2 MPa
  • Maximum operating temperature: 60 ℃
  • Filtration degree: 20-3500 micron
  • Control mode: differential pressure/timing/manual
  • Cleaning time: 35-120s
  • Cleaning mechanism speed: 14-20 rpm
  • Cleaning method: electric brush cleaning
  • Cleaning pressure loss: 0.01-0.08 MPa
  • Operating voltage: AC 380V, 50Hz, three-phase four-wire
  • Control voltage: AC 220V, 50Hz
  • LCD display interface, user-friendly design, easy operation
Request a Quote
Technical Specifications
Model Inlet/outlet connection (mm) Max. flow rate (m³/h) Filtration area (cm²) Drain valve DN (mm) D mm Water consumption per cycle (L) Motor power (kW) Weight (kg)
SY-50 DN50/10 25 3300 DN25/10 275 130 0.55 170
SY-80 DN80/10 40 3600 DN25/10 275 130 0.55 180
SY-100 DN100/10 80 4000 DN40/10 275 150 0.55 210
SY-150 DN150/10 150 4500 DN50/10 275 130 0.55 240
SY-200 DN200/10 300 6000 DN50/10 325 130 0.55 260
SY-250 DN250/10 400 7500 DN50/10 400 180 0.55 420

The flow accuracy in the table is 400 μm. For other technical parameters, please consult Xuyang for details.

Installation Dimensions
Model SY-50 SY-80 SY-100 SY-150 SY-200 SY-250
H 720 750 820 850 980 1020
L 720 720 760 800 1050 1080
L1 335 335 410 435 350 360
Self-Cleaning Brush Screen Filter, SY
Self-Cleaning Brush Screen Filter, SM
Self-Cleaning Brush Screen Filter, SM
  • Installation: horizontal installation
  • Flow rate (single filter): 150-400 m³/h (larger flow can be obtained by connecting multiple units in parallel)
  • Nominal pressure: 1.0 MPa, 1.6 MPa
  • Operating pressure: 0.20-1.2 MPa
  • Maximum operating temperature: 60 ℃
  • Filtration degree: 20-3500 micron
  • Control mode: differential pressure/timing/manual
  • Cleaning time: 35-120 s
  • Cleaning mechanism speed: 14-20 rpm
  • Cleaning method: electric brush cleaning
  • Cleaning pressure loss: 0.01-0.08 MPa
  • Operating voltage: AC 380V, 50Hz, three-phase four-wire
  • Control voltage: AC 220V, 50Hz
  • LCD display interface, user-friendly design, easy operation
Request a Quote
Technical Specifications
Model Inlet/outlet connection (mm) Max. flow rate (m³/h) Filtration area (cm²) Drain valve DN (mm) D mm Water consumption per cycle (L) Motor power (kW) Weight (kg)
SM-150 DN150/10 150 4500 DN50/10 325 130 0.55 260
SM-200 DN200/10 300 5100 DN50/10 325 130 0.55 280
SM-250 DN250/10 400 9100 DN50/10 400 180 0.75 460

The flow accuracy in the table is 400 μm. For other technical parameters, please consult Xuyang for details.

Installation Dimensions
Model SM-150 SM-200 SM-250
B 700 700 850
C 720 700 900
C1 270 300 330
L 350 350 400
L1 1000 1000 1200
A 295 350 410
Self-Cleaning Brush Screen Filter, SM
Self-Cleaning Brush Screen Filter, SSY
Self-Cleaning Brush Screen Filter, SSY
  • SSY manual self-cleaning filter
  • Installation: online installation
  • Flow rate (single filter): 15-80 m³/h (larger flow can be obtained by connecting multiple units in parallel)
  • Nominal pressure: 1.0 MPa, 1.6 MPa
  • Operating pressure: 0.20-1.0 MPa
  • Maximum operating temperature: 60 ℃
  • Filtration degree: 200-3500 micron
  • Control mode: manual
  • Cleaning time: 15-120 s
  • Cleaning method: manual brush cleaning
  • Cleaning pressure loss: 0.01-0.08 MPa
Request a Quote
Technical Specifications
Model Inlet/outlet connection (mm) Max. flow rate (m³/h) Filtration area (cm²) Drain valve DN (mm) D mm Water consumption per cycle (L) Weight (kg)
SSY-50 DN50/10 25 DN25/10 275 60 50
SSY-80 DN80/10 40 DN25/10 275 60 60
SSY-100 DN100/10 80 DN25/10 275 80 120

The flow accuracy in the table is 400 μm. For other technical parameters, please consult Xuyang for details.

Self-Cleaning Brush Screen Filter, STN (for Sea Water)
Self-Cleaning Brush Screen Filter, STN (for Sea Water)
  • Installation: vertical installation
  • Flow rate (single filter): 150-1800 m³/h (larger flow can be obtained by connecting multiple units in parallel)
  • Nominal pressure: 1.0 MPa, 1.6 MPa
  • Operating pressure: 0.20-1.0 MPa
  • Maximum operating temperature: 60 ℃
  • Filtration degree: 200-3500 micron
  • Control mode: differential pressure/timing/manual
  • Cleaning time: 15-120 s
  • Cleaning mechanism speed: 14-25 rpm
  • Cleaning method: electric brush cleaning
  • Cleaning pressure loss: 0.01-0.08 MPa
  • Operating voltage: AC 380V, 50Hz, three-phase four-wire
  • Control voltage: AC 220V, 50Hz
  • LCD display interface, user-friendly design, easy operation
Request a Quote
Technical Specifications
Model Inlet/outlet connection (mm) Max. flow rate (m³/h) Filtration area (cm²) Drain valve DN (mm) D mm Water consumption per cycle (L) Motor power (kW) Weight (kg)
STN-150 DN150/10 150 4500 DN50/10 325 130 0.55 260
STN-200 DN200/10 300 5100 DN50/10 325 130 0.55 280
STN-250 DN250/10 400 9100 DN50/10 400 180 0.75 420
STN-300 DN300/10 500 10000 DN50/10 530 180 0.75 510
STN-350 DN350/10 800 14400 DN50/10 620 200 0.75 650
STN-400 DN400/10 1000 17000 DN80/10 720 250 0.75 760
STN-500 DN500/10 1800 30000 DN80/10 920 250 0.75 950

The flow accuracy in the table is 500 μm. For other technical parameters, please consult Xuyang for details.

Control System
  • Industrial single-chip PLC for an automatic control experience with a Chinese or English interface.
  • A range of control options for the automated filter cleaning, including pressure differential and set timers. Manual and forced cleaning operations available.
  • Adjust filtering and cleaning times right at the location.
  • This filter offers a range of outputs for operation, cleaning, and fault signals, as well as a 485 communication interface.
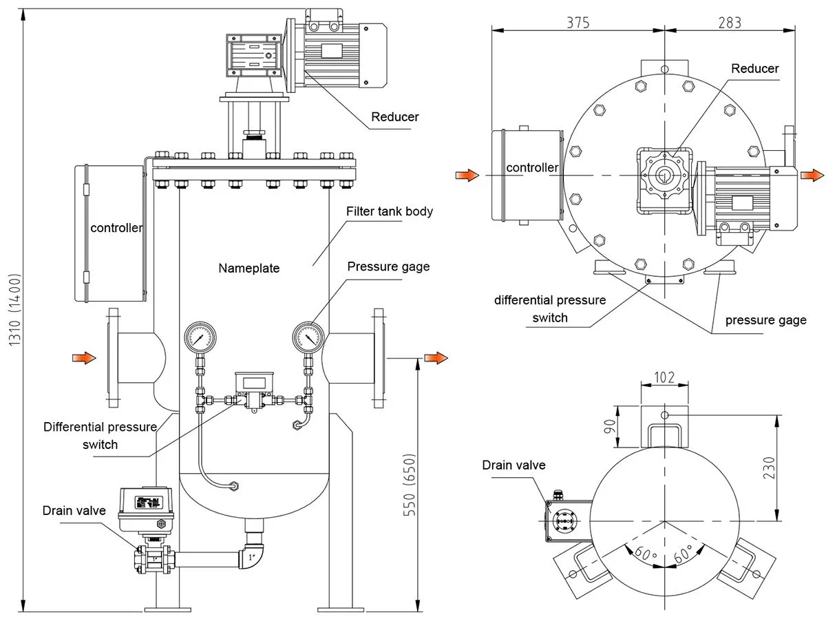
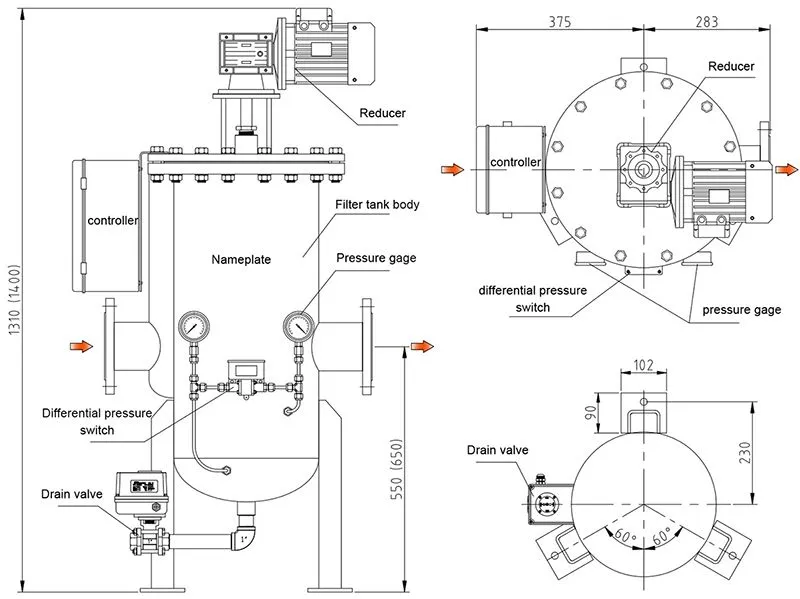
Electric automatic self-cleaning brush screen filter
  • Filter shell material: carbon steel covered with epoxy resin powder, stainless steel, duplex steel and carbon steel with a plastic lining.
  • Screen filter material: stainless steel, duplex steel
  • Self-cleaning device: stainless steel, duplex steel, nylon
  • Blowdown valve: cast iron
  • Seal ring: nitrile rubber and silicone rubber.
  • Control box: PVC

The founder of Yixing Xuyang Environmental Technology Co., Ltd. has verified expertise in water treatment production, attaining a quarter of a century of experience in the area.
With the environment becoming increasingly polluted, we have seen a swiftly rising demand for efficient sewage treatment. Despite this, there are still apprehensions surrounding unbalanced development in the water treatment field and secondary water pollution following wastewater treatment. In a bid to strive, and assist the cause of water purification, Xuyang Environmental Technology Co., Ltd. was born out of an ardent passion to aid this mission.

Related Products
Self-Cleaning Suction Scanning Screen Filter, XT

Self-Cleaning Suction Scanning Screen Filter, XT

Self-Cleaning Suction Scanning Screen Filter, XM

Self-Cleaning Suction Scanning Screen Filter, XM

Self-Cleaning Suction Scanning Screen Filter, XTD

Self-Cleaning Suction Scanning Screen Filter, XTD

Hydraulic Self-Cleaning Screen Filter, AT

Hydraulic Self-Cleaning Screen Filter, AT

Need more information or a quote?

Please fill out the form with your request, our customer service staff will answer all your questions and doubts regarding industrial water filters. If you are struggling to identify the correct machine from our portfolio or have any trouble finding what you are looking for, our team of experts will be happy to assist you.

Get in Touch
Other Products
Self-Cleaning Disc Filter

Self-Cleaning Disc Filter

Discover
AGF Sand Media Filter

AGF Sand Media Filter

Discover
Cloth Media Filter

Cloth Media Filter

Discover
About Xuyang

As an experienced industrial water filter manufacturer, Xuyang has made a firm commitment to developing and manufacturing high quality water treatment equipment to help reduce environmental footprint and promote the sustainability of our planet. We strive to uphold the commitments we make.

Products
  • Self-Cleaning Screen Filter
  • Self-Cleaning Disc Filter
  • AGF Sand Media Filter
  • Cloth Media Filter
  • Magnetic Water Treatment System
  • Sludge Dewatering Equipment
  • Automatic Water Softener
Navigation
  • About Us
  • Applications
  • Resource
Contact Us

Yixing Xuyang Environmental Technology Co., Ltd.

Mr. Shen
+86-510-87832007